• ANASAYFA
  • KURUMSAL
  • ÜRÜNLERİMİZ
  • KALİTE YÖNETİMİ
  • İNSAN KAYNAKLARI
  • KVKK
  • İLETİŞİM
  • EN DE
ÜRÜNLERİMİZ
Kam
Üniteleri
Sac Kalıp
Elemanları
Taşıma
Elemanları
Plastik Kalıp
Elemanları
Ana Sanayi
Standartları
Açılı Kamlar
ACKSK ACKSU AKESR AKHV AKUSV AKUC AKUG AKUNR AKSD AKSNC AKSOUK AKBK AKBLN AKSB AKUSL
Düz Kamlar
DK DAK DKH DKF AKKP AKVS AKCD AKMSC AKKSL
Roller Kamlar
RKX RK
Mafsallı Kamlar
MK

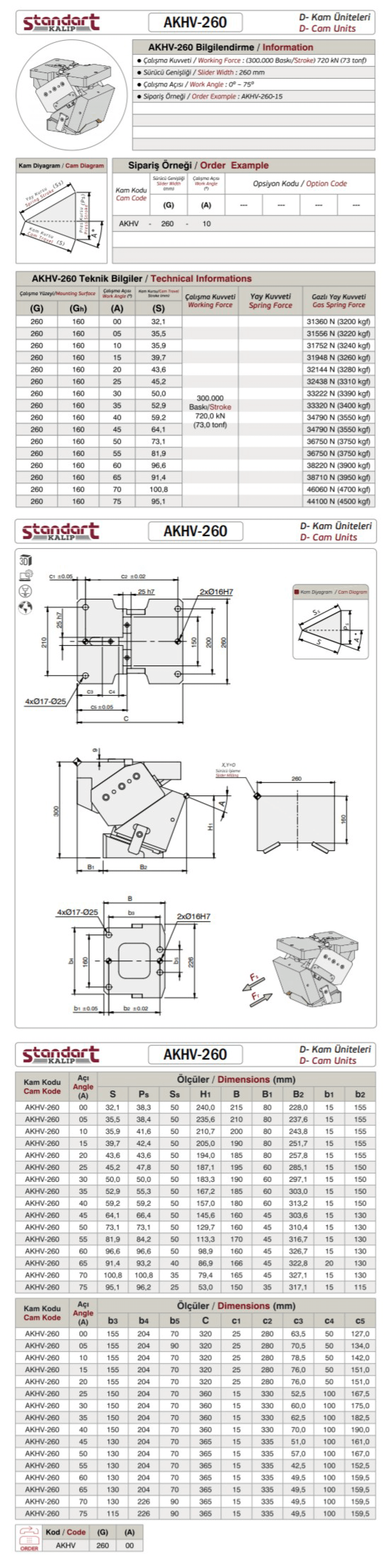
AKHV 260


Teknik tablo için tıklayın
Kılavuzlama Elemanları
KOLON BURÇ BURÇ TUTUCU KOLON TUTUCU KOLON BURÇ SETİ BRONZ SÜRTÜNME PLAKASI SPB ÇELİK SÜRTÜNME PLAKASI SPS L PLAKA SPL T PLAKA SPT V KIZAK SPV Kılavuz Plaka
Mekanik Kalıp Elemanları
DAYAMA DY MERKEZLEME ÜNİTELERİ MERKEZLEME PİMİ DİŞLİ AYAR PLAKA KALIP ASKI BROŞU BASKI PİMİ YİP YAYLI İTİCİ PİM KALIP STOPLAMA POLİÜRETAN MERKEZLEME STOPER KAMALAR EMNİYET BORUSU RONDELA ASKI CİVATASI BORULU ASKI MİLİ EMNİYET TUTUCU KAM GERİ ÇEKME KOLU SAC KALDIRICI PİM GAZLI YAYLI ÇIKARICI YAYLI ÇIKARICI SAC SÜRÜCÜLER VULKOLON HIZ KESİCİ ELASTROMER
Yaylar
GAZLI YAY ÇELİK YAY TEL YAY POLİÜRETAN YAY

AKHV 260


Teknik tablo için tıklayın
Kayar Maça Kızakları
PMCUM PMCUMR PMCUF PMCUFR PMSUM PMSUF PMCUS PMCUT PKPHM PRCPHM PKPHF PRCPHF PMTG PMTGH PAHS PRAHS

AKHV 260


Teknik tablo için tıklayın
Kalıp Taşıma Elemanları
KALIP TAŞIMA BRAKETİ KTB KALIP TAŞIMA PİMİ KTP KALIP BAĞLAMA MAPASI KALIP TAŞIMA MAPASI

AKHV 260


Teknik tablo için tıklayın
Ana Sanayi Standartları
RENAULT-NISSAN

AKHV 260


Teknik tablo için tıklayın
KURUMSAL
  • HAKKIMIZDA
  • TARİHÇE
  • VİZYON-MİSYON
ÜRÜNLERİMİZ
  • KAM ÜNİTELERİ
  • SAC KALIP ELEMANLARI
  • TAŞIMA ELEMANLARI
  • PLASTİK KALIP ELEMANLARI
  • ANA SANAYİ STANDARTLARI
KALİTE YÖNETİMİ
  • KALİTE BELGELERİMİZ
  • KALİTE POLİTİKAMIZ
  • LABORATUVAR
İletişim
  • 0 (224) 241 55 11
  • info@standartkalip.com.tr
  • Kayapa Organize Sanayi Bölgesi. Gül Sk.No:2 Nilüfer / Bursa Türkiye
Copyright © 2021 Standart Kalıp. Tüm Hakları Saklıdır.
Bu sitenin Web Tasarım & Yazılım'ı Sanalnet İnternet Hizmetleri tarafından yapılmaktadır.